VW
Autovehicule
Transport marfa
Motociclete
ABARTH
ACURA
ALFA ROMEO
ALPINA
ASTON MARTIN
AUDI
BENTLEY
BMW
BUGATTI
CHERY
CHEVROLET
CHRYSLER
CITROËN
DACIA
DAEWOO
DAF
DAIHATSU
DODGE
DS
FERRARI
FIAT
FORD
FORD USA
HONDA
HYUNDAI
INFINITI
ISUZU
IVECO
JAGUAR
JEEP
KIA
LADA
LANCIA
LAND ROVER
LEXUS
MASERATI
MAZDA
MERCEDES-BENZ
MG
MINI
MITSUBISHI
NISSAN
OPEL
PEUGEOT
PORSCHE
RENAULT
RENAULT TRUCKS
ROLLS-ROYCE
ROVER
SAAB
SEAT
SKODA
SMART
SSANGYONG
SUBARU
SUZUKI
TESLA
TOYOTA
VAUXHALL
VOLVO
VW
PASSAT B8
Anul
TDI
Garajul meu
Adăugați la garaj
Garajul meu
Gol
Garajul meu
Adăugați la garaj
Garajul meu
Gol

Disc frana, VW PASSAT B8, TDI 2014-t.p., CUAA

Producător

Nici un Rezultat ..
4U Autoparts 4
4X4 ESTANFI 6
ABAKUS 8
ABE 8
A.B.S. 11
ACDelco 1
Advics 3
AIC 1
AISIN 1
Akebono 4
AKRON-MALÒ 5
AP 14
APEC 7
AP XENERGY 4
ASAM 5
Ashika 7
Ashuki 4
ASPART 1
ATE 7
Automega 3
Automotor France 1
AYD OE - Excellence 1
Barum 2
BENDIX 3
BENDIX Braking 5
Blue Print 5
Borg & Beck 3
Borsehung 1
BOSCH 10
Brake Engineering 5
Breck 4
Breco 7
Brembo 19
Bremsi 6
BSF 2
BSG 3
Bugiad 1
CAR 7
Casals 1
Champion 2
Cifam 5
Comline 10
Cworks 4
DACO Germany 5
Danaher 6
DEEVO 1
Delphi 7
Denckermann 6
Diamax 3
DJ Parts 4
DON 5
DriveTec 1
Dr!ve+ 7
DUNLOP 1
Dynamatrix 2
EBC Brakes 9
Equal Quality 3
E.T.F. 5
Eurobrake 5
EUROREPAR 6
FAI AutoParts 4
Farcom 1
Fast 1
Febi Bilstein 5
Fenox 1
Ferodo 4
FI.BA 1
First Line 1
FIT 2
FOMAR Friction 2
FREMAX 4
Frigair 2
Fri.Tech. 5
FTE 21
G.U.D. 1
Galfer 5
GENESSO 1
GH 3
Girling 6
Graf 1
GUD 1
Hart 6
HELLA 12
HELLA PAGID 12
Herth+Buss Jakoparts 3
Hi-Q 4
IAP QUALITY PARTS 2
Icer 4
IJS GROUP 2
Japanparts 10
Japko 7
JP Group 6
JPN 5
J&S Automotive 2
Juratek 4
Jurid 6
Kager 1
Kamoka 2
Kawe 3
Key Parts 3
Klaxcar France 3
KRAFT AUTOMOTIVE 2
KRAFTVOLL GERMANY 2
KWP 1
Lemförder 2
LPR 7
LYNXauto 4
Magneti Marelli 17
Mando 4
Mapco 5
MASTER-SPORT 45
Maxgear 10
Maxtech 7
Metelli 5
Metzger 4
Meyle 8
MGA 3
Miles 6
Mintex 5
MOBILAND 2
Motaquip 5
MOTRIO 2
MTR 1
NAPA 4
NATIONAL 4
Necto 1
NiBK 4
NK 5
NPS 3
Omnicraft 3
Open Parts 9
Optimal 11
OSSCA 5
Pagid 9
Patron 4
Pemebla 9
Pex 1
Pilenga 4
Procodis France 1
ProfiPower 3
Profit 1
Protechnic 3
QUARO 8
Quinton Hazell 7
RAFSON 1
Raicam 3
R Brake 4
Remsa 6
Remy 5
RIDEX 10
Roadhouse 7
Rotinger 31
Samko 7
Sasic 5
SBS 5
Schaeferbarthold 9
Schferbarthold 14
SHW Performance 1
SIGMAUTO 6
Simer 1
SKF 5
Stark 8
Starline 3
Stellox 10
ST-Templin 5
Swag 5
Technika 1
Textar 8
TOMEX brakes 3
Topran 6
TQ 10
Tradex France 4
Trevi Automotive 2
Trialli 7
Triscan 4
Trucktec Automotive 3
Trusting 5
TRW 17
TRW Engine Component 1
VAICO 6
Valeo 12
VEMA 1
Vika 4
Villar 5
Wagner 1
Woking 3
Zekkert 7
Zimmermann 18
Sortați după:
Disponibilitate
Cel mai mic preț
Timp de livrare
Disponibilitate
Evaluare
Produse: 208
Filtrare categorii si produse

Disc frana

Disc frana

Aprobare: 90R-02C0100/0480
Diametru: 300 mm
Înaltime: 50.1 mm, 48.3 mm
Tip disc frâna: plin
Grosime disc frâna: 12 mm
Grosime minima: 10 mm
Diametru exterior: 300 mm
Numar gauri: 5
Diametru de centrare: 65 mm
Diametru asezare gauri -?: 112 mm
Janta, numar gauri: 5
Partea de montare: Puntea spate
Dimensiune filet: 15,30
Asezare gauri/numar gauri: 5/10
Diametru interior: 173 mm
Alezaj butuc -?: 65 mm
Gaura bolt roata-?: 15.3 mm
Stoc epuizat
Solicitați un preț

Disc frana

Disc frana

Aprobare: 90R-02C0250/0431
Diametru: 300 mm
Înaltime: 50.1 mm, 48.3 mm
Tip disc frâna: plin
Grosime disc frâna: 12 mm
Grosime minima: 10 mm
Diametru exterior: 300 mm
Numar gauri: 5
Diametru de centrare: 65 mm
Diametru asezare gauri -?: 112 mm
Suprafata:
acoperit (cu un strat protector)
Janta, numar gauri: 5
Partea de montare: Puntea spate
Dimensiune filet: 15,30
Asezare gauri/numar gauri: 5/10
Diametru interior: 173 mm
Alezaj butuc -?: 65 mm
Gaura bolt roata-?: 15.3 mm
Stoc epuizat
Solicitați un preț

Disc frana

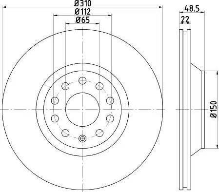
Disc frana

Partea de montare:
Puntea spate, Axa spate dreapta, Axa spate stanga
Înaltime: 48.3 mm
Tip disc frâna: ventilat
Grosime disc frâna: 22 mm
Dimensiune filet: 15,5
Numar pistoane: 9
Diametru exterior: 310 mm
Diametru de centrare: 65 mm
Diametru asezare gauri -?: 112 mm
Stoc epuizat
Solicitați un preț

Disc frana

Disc frana

Aprobare: E1 90R 02 C0185/0588
Înaltime: 48.2 mm, 48.5 mm
Tip disc frâna: ventilat
Grosime disc frâna: 22 mm
Dimensiune filet: 15,5
Grosime minima: 20 mm
Culoare: negru
Procesare:
continut ridicat de carbon
Diametru exterior: 310 mm
Numar gauri: 9
Diametru de centrare: 65 mm
Diametru asezare gauri -?: 112 mm
Suprafata: lacuit
Janta, numar gauri: 5
Partea de montare: Puntea spate
Diametru: 310 mm
Asezare gauri/numar gauri: 5/10
Diametru interior: 169 mm
Diametru butuc: 150 mm
Alezaj butuc -?: 65 mm
Gaura bolt roata-?: 15.3 mm
Stoc epuizat
Solicitați un preț

Disc frana

Disc frana

Aprobare: E1 90R-02 C0190/0640
Înaltime: 48.3 mm
Tip disc frâna: plin
Grosime disc frâna: 12 mm
Grosime minima: 10 mm
Culoare: negru
Diametru exterior: 300 mm
Numar gauri: 5
Diametru de centrare: 65 mm
Diametru asezare gauri -?: 112 mm
Suprafata: lacuit
Cu surub
Janta, numar gauri: 5
Partea de montare: Puntea spate
Diametru: 300 mm
Dimensiune filet: 15,30
Asezare gauri/numar gauri: 5/10
Diametru interior: 173 mm
Alezaj butuc -?: 65 mm
Gaura bolt roata-?: 15.3 mm
Stoc epuizat
Solicitați un preț

Disc frana

Disc frana

Înaltime: 48.5 mm
Greutate: 7 kg
Tip disc frâna: ventilat exterior
Grosime disc frâna: 22 mm
Grosime minima: 20 mm
Asezare gauri/numar gauri: 5/10
Diametru interior: 169,4 mm, 169 mm
Diametru exterior: 310 mm
Diametru de centrare: 65 mm
Diametru asezare gauri -?: 112 mm
Suprafata:
acoperit (cu un strat protector)
Without wheel hub, without wheel bearing, without wheel studs
Numar informatii tehnice: 54407PRO
Gaura bolt roata-?: 15,3 mm, 15.3 mm
Montarea/demontarea de personal de specialitate necesară!.
Janta, numar gauri: 5
Partea de montare: Puntea spate
Diametru: 310 mm
Dimensiune filet: 15,5
Diametru butuc: 150 mm
Alezaj butuc -?: 65 mm
Stoc epuizat
Solicitați un preț

Disc frana

Disc frana

Înaltime: 48.3 mm
Greutate: 5.2 kg
Tip disc frâna: plin
Grosime disc frâna: 12 mm
Grosime minima: 10 mm
Asezare gauri/numar gauri: 05/10, 5/10
Diametru interior: 172,7 mm, 173 mm
Diametru exterior: 300 mm
Diametru de centrare: 65 mm
Diametru asezare gauri -?: 112 mm
Suprafata:
acoperit (cu un strat protector)
Numar informatii tehnice: 55554PRO
Gaura bolt roata-?: 15,3 mm, 15.3 mm
Janta, numar gauri: 5
Partea de montare: Puntea spate
Diametru: 300 mm
Dimensiune filet: 15,30
Alezaj butuc -?: 65 mm
Stoc epuizat
Solicitați un preț

Disc frana

Disc frana

Înaltime: 48.5 mm
Greutate: 7 kg
Tip disc frâna: ventilat exterior
Grosime disc frâna: 22 mm
Grosime minima: 20 mm
Asezare gauri/numar gauri: 5/10
Culoare: negru
Diametru exterior: 310 mm
Diametru de centrare: 65 mm
Diametru asezare gauri -?: 112 mm
Suprafata:
acoperit (cu un strat protector)
Cu suruburi
Fara butuc roata
Fara suruburi de fixare roata
Numar informatii tehnice: 54407PRO_B
Numarul suruburilor: 1
Janta, numar gauri: 5
Partea de montare: Puntea spate
Diametru: 310 mm
Dimensiune filet: 15,5
Diametru interior: 169 mm
Diametru butuc: 150 mm
Alezaj butuc -?: 65 mm
Gaura bolt roata-?: 15.3 mm
Stoc epuizat
Solicitați un preț

Disc frana

Disc frana

Înaltime: 48.5 mm
Greutate: 7 kg
Tip disc frâna: ventilat exterior
Grosime disc frâna: 22 mm
Grosime minima: 20 mm
Asezare gauri/numar gauri: 5/10
Procesare:
continut ridicat de carbon
Diametru interior: 169,4 mm, 169 mm
Diametru exterior: 310 mm
Diametru de centrare: 65 mm
Diametru asezare gauri -?: 112 mm
Suprafata:
acoperit (cu un strat protector)
Without wheel hub, without wheel bearing, without wheel studs
Numar informatii tehnice: 54407PRO_HC
Gaura bolt roata-?: 15,3 mm, 15.3 mm
Montarea/demontarea de personal de specialitate necesară!.
Janta, numar gauri: 5
Partea de montare: Puntea spate
Diametru: 310 mm
Dimensiune filet: 15,5
Diametru butuc: 150 mm
Alezaj butuc -?: 65 mm
Stoc epuizat
Solicitați un preț

Disc frana

Disc frana

Înaltime: 48.5 mm
Greutate: 7 kg
Tip disc frâna: ventilat exterior
Grosime disc frâna: 22 mm
Grosime minima: 20 mm
Asezare gauri/numar gauri: 5/10
Diametru exterior: 310 mm
Diametru de centrare: 65 mm
Diametru asezare gauri -?: 112 mm
Suprafata:
acoperit (cu un strat protector)
Numar informatii tehnice: 54407PRO
Janta, numar gauri: 5
Partea de montare: Puntea spate
Diametru: 310 mm
Dimensiune filet: 15,5
Diametru interior: 169 mm
Diametru butuc: 150 mm
Alezaj butuc -?: 65 mm
Gaura bolt roata-?: 15.3 mm
Stoc epuizat
Solicitați un preț

Disc frana

Disc frana

Înaltime: 48.3 mm
Greutate: 5.2 kg
Tip disc frâna: plin
Grosime disc frâna: 12 mm
Grosime minima: 10 mm
Asezare gauri/numar gauri: 05/10, 5/10
Diametru interior: 172,7 mm, 173 mm
Diametru exterior: 300 mm
Diametru de centrare: 65 mm
Diametru asezare gauri -?: 112 mm
Suprafata:
acoperit (cu un strat protector)
Numar informatii tehnice: 55554PRO
Gaura bolt roata-?: 15,3 mm, 15.3 mm
Janta, numar gauri: 5
Partea de montare: Puntea spate
Diametru: 300 mm
Dimensiune filet: 15,30
Alezaj butuc -?: 65 mm
Stoc epuizat
Solicitați un preț

Disc frana

Disc frana

Înaltime: 48.5 mm
Greutate: 7 kg
Tip disc frâna: ventilat exterior
Grosime disc frâna: 22 mm
Grosime minima: 20 mm
Asezare gauri/numar gauri: 5/10
Culoare: negru
Diametru exterior: 310 mm
Diametru de centrare: 65 mm
Diametru asezare gauri -?: 112 mm
Suprafata:
acoperit (cu un strat protector)
Cu suruburi
Fara butuc roata
Fara suruburi de fixare roata
Numar informatii tehnice: 54407PRO_B
Numarul suruburilor: 1
Janta, numar gauri: 5
Partea de montare: Puntea spate
Diametru: 310 mm
Dimensiune filet: 15,5
Diametru interior: 169 mm
Diametru butuc: 150 mm
Alezaj butuc -?: 65 mm
Gaura bolt roata-?: 15.3 mm
Stoc epuizat
Solicitați un preț

Disc frana

Disc frana

Înaltime: 48.5 mm
Greutate: 7 kg
Tip disc frâna: ventilat exterior
Grosime disc frâna: 22 mm
Grosime minima: 20 mm
Asezare gauri/numar gauri: 5/10
Procesare:
continut ridicat de carbon
Diametru exterior: 310 mm
Diametru de centrare: 65 mm
Diametru asezare gauri -?: 112 mm
Suprafata:
acoperit (cu un strat protector)
Numar informatii tehnice: 54407PRO_HC
Janta, numar gauri: 5
Partea de montare: Puntea spate
Diametru: 310 mm
Dimensiune filet: 15,5
Diametru interior: 169 mm
Diametru butuc: 150 mm
Alezaj butuc -?: 65 mm
Gaura bolt roata-?: 15.3 mm
Stoc epuizat
Solicitați un preț
Pagină:
1 2 3 4 5 6 7 8 9 ... 18
[data limited]